Thrust ball bearing
$ 0.00
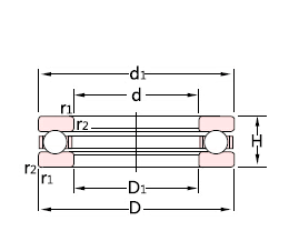
Bearings of this type consist of the washers with raceway and the assembly of ball and cage. The washer that contacts the shaft is called shaft washer, and the one attached to the housing is called housing washer. Thrust bearings in double directions have a central washer connected to the shaft. Single-direction bearings can carry axial load in one direction, and double-direction bearings can carry axial load in two directions. The bearings with housing washer which has spherical mounting surface is self-alignable, which can reduce the effects of mounting error. Applications of these bearings can be found in steering mechanism of automobiles and machine tool spindles.


